
Verwendungszwecke
• Für Trinkwasser kalt und warm
• Für Geberit Duofix und Geberit GIS Montageplatten
• Für Massiv- und Trockenbau
Eigenschaften
• Abdichtscheibe selbstklebend, vliesbeschichtet
• Mit einer Messkapsel KOAX G 2" bestückbar
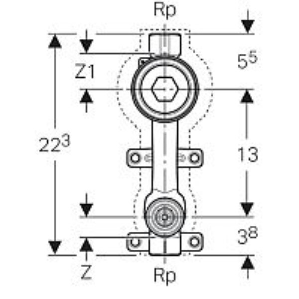
• Zwei Befestigungspunkte für Lochkreis ø 60 mm
• Oberteil austauschbar
• Ventil- und Oberteildichtungen aus EPDM
Technische Daten
Betriebstemperatur 0-90 °C
Werkstoff Rotguss (CuSn5Zn5Pb2-C)
Werkstoff Dämmung EPP
Dämmstärke 10 mm
Wärmeleitfähigkeit Dämmung 0.035 W/(m·K)
Lieferumfang
• Betätigungsrosette
• Medienkennringe (rot, blau)
• 2 Schalldämmunterlagen
• Dämmung
• Abdichtscheibe
• Befestigungsmaterial
Zubehör
• Geberit Set Blindrosette KOAX G 2"
• Geberit Set Messkapsel KOAX G 2"