Stocker Stahl AG Logo

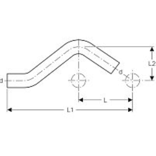
Überbogen MAPRESS Heizung, 1.0034

Beschreibung:
  • für Parallel-Leitungen
  • galvanisch verzinkt