Stocker Stahl AG Logo

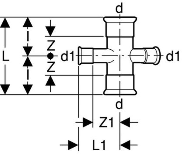
Kreuzstücke 30° MAPRESS Heizung, 1.0034

Beschreibung:
  • 30°
  • galvanisch verzinkt