Stocker Stahl AG Logo

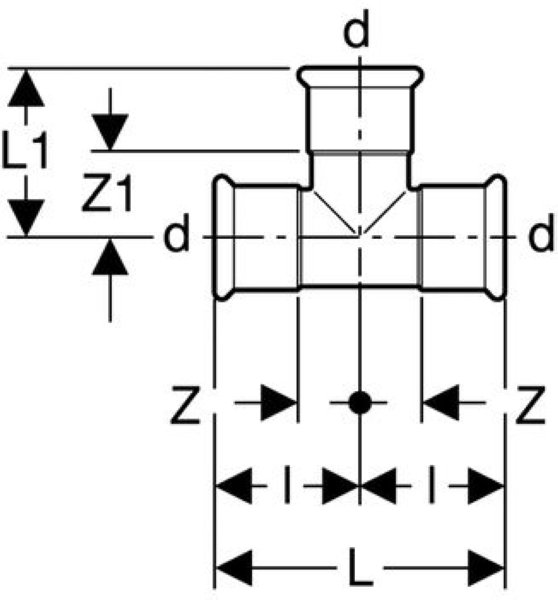
T-Stücke MAPRESS Heizung, 1.0034

Beschreibung:
  • egal
  • galvanisch verzinkt