Stocker Stahl AG Logo

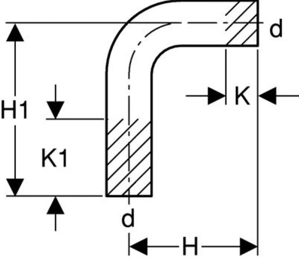
Passbogen 90° MAPRESS Heizung, 1.0034

Beschreibung:
  • 90°
  • galvanisch verzinkt